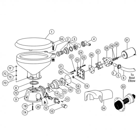
Chopper & lock nut kit 37056-1000 Jabsco

- Chopper plate kit compatible with the Jabsco toilets of the 29100, 29200, 37010, 37045, 37245, 37055, 37255, 37075, 37275 series
- Alternative to Jabsco 29102-1000
#14 in the exploded view
Code
J37056-1000
Phone
(+30) 210 4819 032
SHARE
Share this product
